凱基特本安NAMUR接近開關主要應用于需要防爆的場合設備和環境,如煤礦、石化等, NAMUR信號為世界上應用最廣泛的本質安全的數字量輸入和頻率量輸入的標準信號。其最早為德國標準(?DIN19234?)。后成為歐洲標準(?EN?50227,DIN?EN?60947-5-6?)。NAMUR信號為無源2線制,標稱8VDC供電,1mA?和3mA開關信號。NAMUR型傳感器均為本質安全防爆儀表,通常與隔離式安全柵配合使用。

● 能檢測各種金屬物體 | -- |
● 具有浪涌、過載、短路、逆極性保護功能 | 直流兩線常閉 |
● 外殼材料:銅鍍鎳 | -- |
● 防護等級:IP67 | -- |
● 環境溫度:-25℃~+70℃ | -- |

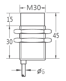
產品型號 | KJT-NJ-30 |
安裝方式 | 非埋式 |
檢測距離 | 15mm |
工作環境溫度 | -25℃~+70℃ |
外形規格 | M30*1.5-40 |
工作電壓 | 6-12VDC |
漣波 | - |
空載電流 | >2.2mA(OFF)< 1.1mA(ON)
|
最大負載電流 | <10mA |
電壓降 | - |
開關頻率 | 150HZ |
遲滯 | <15(Sr) |
過載保護電流 | -
|
短路保護 | - |
重復精度 | <3.0%(Sr) |
溫度漂移 | <10%(Sr) |
響應時間 | 0.5ms |
連接方式 | 2M 本安線纜 |
防護等級 | IP67 |
感應面材質 | PBT |
外殼材質 | 銅鍍鎳 |
EMC | RFI>3V/M / EFT>1KV / ESD>4KV(contact) |
沖擊/震動 | IEC 60947-5-2,Part7.4.1 / IEC 60947-5-2,Part7.4.2 |